責任編輯:本站編輯 來源:中國農藥工業協會 日期:2011-01-27

產品詳細信息
[工作原理]
惰性氣體保護超微粉碎系統是采用惰性氣體作為氣流粉碎研磨介質實現干式物料的超微粉碎。該系統主要由壓縮機、儲氣罐、料倉、粉碎主機、旋風分離器、捕集器、自動化控制柜等組成。系統開機時首先用惰性氣體不斷充入系統中將空氣趕走,直至全系統達到氧探測儀設定的數值,然后自動啟動加料裝置將料倉中的原料均勻加入粉碎主機的粉碎室,經壓縮的惰性氣體通過特殊配置的超音速噴嘴向粉碎室高速噴射,物料在超音速噴射流中加速,并在噴嘴交匯處反復沖擊、碰撞,達到粉碎效果。被粉碎的物料隨上升氣流進入分級室,滿足要求的細粒子進入分級輪隨氣流被旋風分離器、捕集器收集,進不了分級輪返回粉碎室繼續沖擊粉碎,惰性氣體返回壓縮機吸氣口循環使用。
特點
1、適用性強,根據易燃易爆物料的性質,可選擇與其相適應的氣體作為粉碎介質。
2、惰性氣體循環使用,消耗極小。
3、惰性氣體純度的誤差可控制在1PPM,氧含量可任意設定。
4、磨損小,由于主要粉碎作用是粒子互相沖擊碰撞,高速粒子與壁面不碰撞,可適用粉碎莫氏硬度九級以上物料。
5、粉碎范圍廣,在d97=2~15um范圍任意選用。
6、系統采用先進的觸摸屏、可編程PLC控制器,實現了全自動控制。
[技術參數]

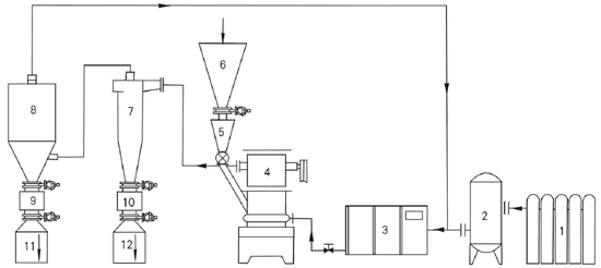
[流程示意圖]

1、氮氣源 2、儲氣罐 3、氮氣壓縮機 4、QBF流化床氣流粉碎機 5、過渡原料倉
6、原料倉 7、旋風分離器 8、捕集器 9、10過度成品料筒 11、12 成品料筒